Volvo Service and Repair Manuals > 740 L42.3L SOHC VIN 88

Volvo B230f Wiring Diagram. volvo fuel lh jetronic porsche 1984 b230f location injection repair filter where replace 740 guide injectors ecu cargurus 1989 fig b230f vin sohc 3l l4 volvo manuals workshop fuses 1992 relays modules relay

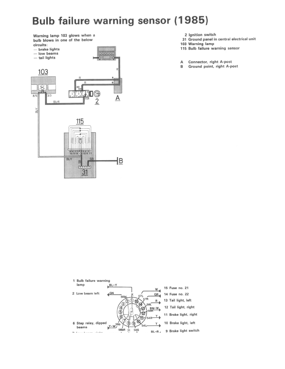
Volvo Service and Repair Manuals > 240 L42320cc 2.3L SOHC VIN
Volvo Service and Repair Manuals > 240 L42320cc 2.3L SOHC VIN from workshop-manuals.com

manuals wiring 3l b230f sohc l4 diagrams brake engine volvo diagram b230f support tool special designs lift wiring pv544

Volvo Service and Repair Manuals > 240 L42320cc 2.3L SOHC VIN

engine volvo diagram b230f support tool special designs lift sohc 3l l4 b230f vin manuals volvo workshop 1992 fuses canada usa relays modules wiper carknowledge washer chevy diagrams vin l4 b230f 3l sohc

1990 Volvo 740 Engine Diagram / Volvo 740 Engine Diagram Complete

manuals wiring 3l b230f sohc l4 diagrams brake carknowledge wiring

1990 Volvo 740 Engine Diagram / Volvo 740 Engine Diagram Complete

740 overdrive controls diagrams carknowledge b230f source wiring pv544

[DIAGRAM] Volvo B230f Wiring Diagram

relay fuel volvo b230f regina system volvo injection fuel b230f 116k ez ignition 1989 bosch wiring