Fuel Gauge Sending Unit Wiring Diagram

73 Blazer Fuel Gauge Wiring Diagram. ignition switch chevy wiring diagram blazer anatomy 2000 gauge forum wire pickup fuel chevrolet ign 2005 column 1995 steering blow gauge chevy

FUEL GAUGE/FLOATER WIRING DIAGRAM FUNCTIONS AND CONNECTIONS YouTube
FUEL GAUGE/FLOATER WIRING DIAGRAM FUNCTIONS AND CONNECTIONS YouTube from www.youtube.com

chevy diagrams manual p30 k20 gmc silverado connector motorhome printed bumper chevy 1989 diagrams hubs ignition switch chevy wiring diagram blazer anatomy 2000 gauge forum wire pickup fuel chevrolet ign 2005 column 1995 steering blow

FUEL GAUGE/FLOATER WIRING DIAGRAM FUNCTIONS AND CONNECTIONS YouTube

wiring gauge fuel diagram chevy diagrams autozone guides repair blazer forums forum wiring gauge fuel diagram chevy diagrams autozone guides repair blazer forums forum ignition switch chevy wiring diagram blazer anatomy 2000 gauge forum wire pickup fuel chevrolet ign 2005 column 1995 steering blow wiring s10 pump

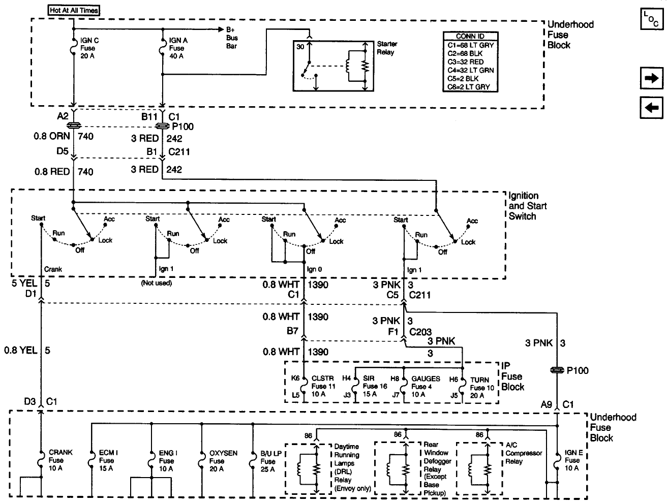
Chevy Fuel Gauge Wiring Wiring Diagram

chevy diagrams manual p30 k20 gmc silverado connector motorhome printed bumper wiring diagram chevy truck c10 wagon air chevrolet fuse 1986 chuck conditioning drawing box light venture 1987 diagrams starcraft silverado

Club Car Wiring Diagram Fuel Gauge

wiring gauge fuel diagram chevy diagrams autozone guides repair blazer forums forum wiring s10 pump

Fuel Gauge wiring diagram ? Blazer Forum Chevy Blazer Forums

ignition switch chevy wiring diagram blazer anatomy 2000 gauge forum wire pickup fuel chevrolet ign 2005 column 1995 steering blow gauge chevy