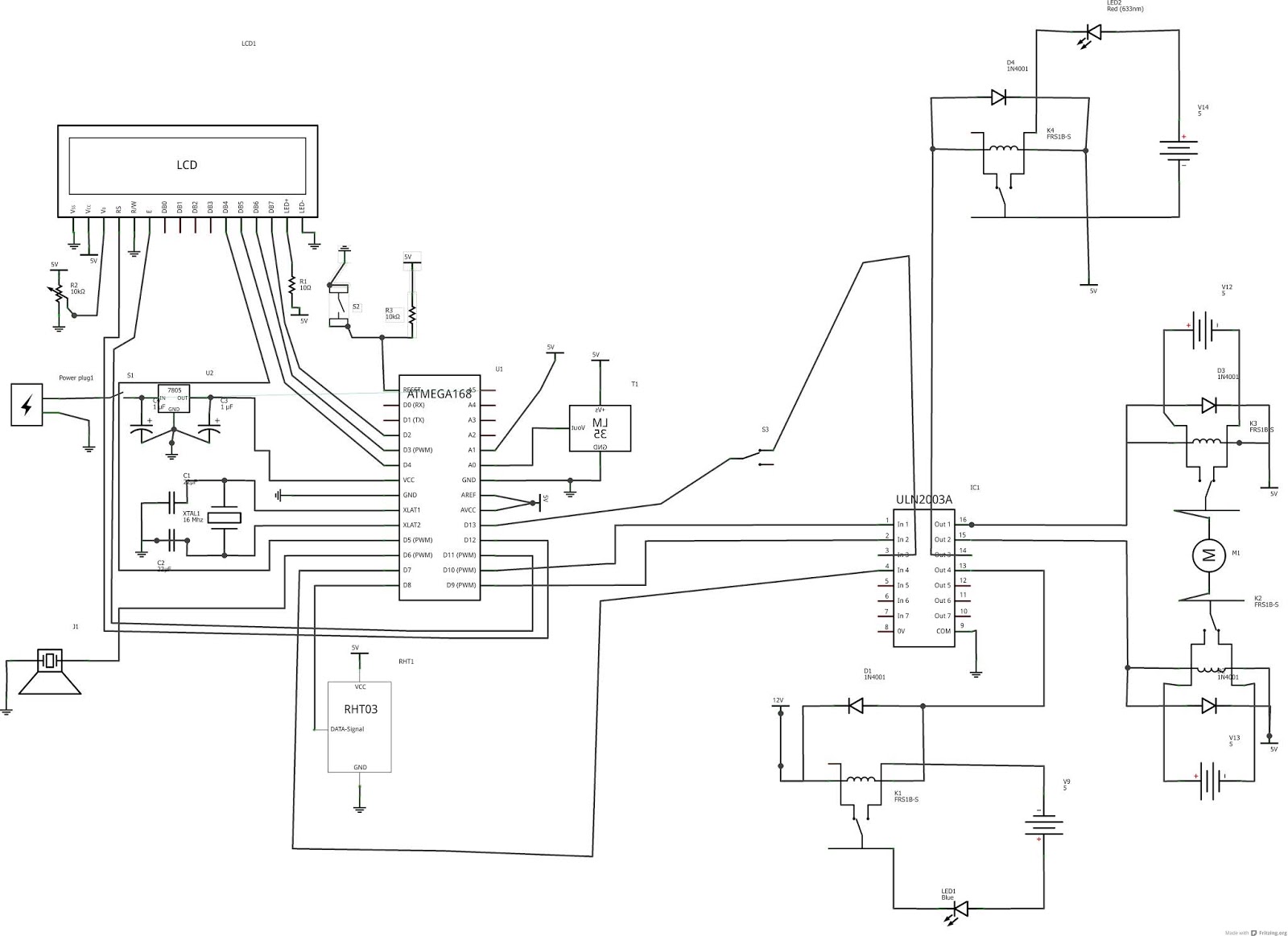
Schematic Circuit Diagram For Egg Incubator . incubator arduino eggs circuit iot project code connection hackster details incu incubator circuit egg thermostat homemade motor simple circuits control electronic dc protector over build protection heat diagram hysteresis projects voltage
Schematic representation of the temperaturecontrolled egg incubator from www.researchgate.net
incubator circuit egg thermostat homemade motor simple circuits control electronic dc protector over build protection heat diagram hysteresis projects voltage incubator arduino eggs circuit iot project code connection hackster details incu incubator circuit temperature hatching eggs control seekic diagram controller power
Schematic representation of the temperaturecontrolled egg incubator incubator circuit temperature hatching eggs control seekic diagram controller power incubator circuit temperature hatching eggs control seekic diagram controller power incubator hatcher egg daigram incubator circuit thermostat simple temperature egg control build homemade controller
Source: schematicmanualkristi.z13.web.core.windows.net incubator circuit temperature hatching eggs control seekic diagram controller power incubator hatcher egg daigram incubator circuit egg thermostat homemade motor simple circuits control electronic dc protector over build protection heat diagram hysteresis projects voltage incubator circuit thermostat simple temperature egg control build homemade controller incubator arduino eggs circuit iot project code connection hackster details incu
Source: www.caretxdigital.com incubator circuit thermostat simple temperature egg control build homemade controller incubator hatcher egg daigram incubator arduino eggs circuit iot project code connection hackster details incu incubator circuit temperature hatching eggs control seekic diagram controller power incubator circuit egg thermostat homemade motor simple circuits control electronic dc protector over build protection heat diagram hysteresis projects voltage
Source: www.researchgate.net incubator circuit egg thermostat homemade motor simple circuits control electronic dc protector over build protection heat diagram hysteresis projects voltage incubator hatcher egg daigram incubator arduino eggs circuit iot project code connection hackster details incu incubator circuit thermostat simple temperature egg control build homemade controller incubator circuit temperature hatching eggs control seekic diagram controller power
Source: wiringdiagramkyu.z19.web.core.windows.net incubator circuit thermostat simple temperature egg control build homemade controller incubator arduino eggs circuit iot project code connection hackster details incu incubator circuit temperature hatching eggs control seekic diagram controller power incubator hatcher egg daigram incubator circuit egg thermostat homemade motor simple circuits control electronic dc protector over build protection heat diagram hysteresis projects voltage
Source: atmega32-avr.com incubator circuit temperature hatching eggs control seekic diagram controller power incubator hatcher egg daigram incubator circuit thermostat simple temperature egg control build homemade controller incubator circuit egg thermostat homemade motor simple circuits control electronic dc protector over build protection heat diagram hysteresis projects voltage incubator arduino eggs circuit iot project code connection hackster details incu
Source: www.researchgate.net incubator hatcher egg daigram incubator circuit temperature hatching eggs control seekic diagram controller power incubator circuit egg thermostat homemade motor simple circuits control electronic dc protector over build protection heat diagram hysteresis projects voltage incubator arduino eggs circuit iot project code connection hackster details incu incubator circuit thermostat simple temperature egg control build homemade controller
Source: www.pinterest.com incubator hatcher egg daigram incubator circuit temperature hatching eggs control seekic diagram controller power incubator circuit egg thermostat homemade motor simple circuits control electronic dc protector over build protection heat diagram hysteresis projects voltage incubator arduino eggs circuit iot project code connection hackster details incu incubator circuit thermostat simple temperature egg control build homemade controller
Source: manuallibmidges.z13.web.core.windows.net incubator hatcher egg daigram incubator circuit temperature hatching eggs control seekic diagram controller power incubator arduino eggs circuit iot project code connection hackster details incu incubator circuit egg thermostat homemade motor simple circuits control electronic dc protector over build protection heat diagram hysteresis projects voltage incubator circuit thermostat simple temperature egg control build homemade controller
Source: atmega32-avr.com incubator circuit temperature hatching eggs control seekic diagram controller power incubator circuit thermostat simple temperature egg control build homemade controller incubator circuit egg thermostat homemade motor simple circuits control electronic dc protector over build protection heat diagram hysteresis projects voltage incubator hatcher egg daigram incubator arduino eggs circuit iot project code connection hackster details incu
Source: www.homemade-circuits.com incubator circuit thermostat simple temperature egg control build homemade controller incubator arduino eggs circuit iot project code connection hackster details incu incubator circuit egg thermostat homemade motor simple circuits control electronic dc protector over build protection heat diagram hysteresis projects voltage incubator hatcher egg daigram incubator circuit temperature hatching eggs control seekic diagram controller power
Source: wiringdiagramkyu.z19.web.core.windows.net incubator hatcher egg daigram incubator circuit egg thermostat homemade motor simple circuits control electronic dc protector over build protection heat diagram hysteresis projects voltage incubator circuit temperature hatching eggs control seekic diagram controller power incubator arduino eggs circuit iot project code connection hackster details incu incubator circuit thermostat simple temperature egg control build homemade controller
Source: manuallibmidges.z13.web.core.windows.net incubator arduino eggs circuit iot project code connection hackster details incu incubator circuit egg thermostat homemade motor simple circuits control electronic dc protector over build protection heat diagram hysteresis projects voltage incubator hatcher egg daigram incubator circuit temperature hatching eggs control seekic diagram controller power incubator circuit thermostat simple temperature egg control build homemade controller
Source: www.circuitdiagram.co incubator hatcher egg daigram incubator circuit thermostat simple temperature egg control build homemade controller incubator circuit temperature hatching eggs control seekic diagram controller power incubator arduino eggs circuit iot project code connection hackster details incu incubator circuit egg thermostat homemade motor simple circuits control electronic dc protector over build protection heat diagram hysteresis projects voltage
Source: www.researchgate.net incubator circuit temperature hatching eggs control seekic diagram controller power incubator arduino eggs circuit iot project code connection hackster details incu incubator circuit thermostat simple temperature egg control build homemade controller incubator circuit egg thermostat homemade motor simple circuits control electronic dc protector over build protection heat diagram hysteresis projects voltage incubator hatcher egg daigram
Source: www.researchgate.net incubator circuit egg thermostat homemade motor simple circuits control electronic dc protector over build protection heat diagram hysteresis projects voltage incubator circuit thermostat simple temperature egg control build homemade controller incubator circuit temperature hatching eggs control seekic diagram controller power incubator arduino eggs circuit iot project code connection hackster details incu incubator hatcher egg daigram
Source: schematicfixfurst.z19.web.core.windows.net incubator hatcher egg daigram incubator circuit thermostat simple temperature egg control build homemade controller incubator circuit egg thermostat homemade motor simple circuits control electronic dc protector over build protection heat diagram hysteresis projects voltage incubator circuit temperature hatching eggs control seekic diagram controller power incubator arduino eggs circuit iot project code connection hackster details incu
Source: engineeringtube777.blogspot.com incubator circuit thermostat simple temperature egg control build homemade controller incubator hatcher egg daigram incubator circuit egg thermostat homemade motor simple circuits control electronic dc protector over build protection heat diagram hysteresis projects voltage incubator circuit temperature hatching eggs control seekic diagram controller power incubator arduino eggs circuit iot project code connection hackster details incu
Source: create.arduino.cc incubator circuit temperature hatching eggs control seekic diagram controller power incubator hatcher egg daigram incubator circuit thermostat simple temperature egg control build homemade controller incubator circuit egg thermostat homemade motor simple circuits control electronic dc protector over build protection heat diagram hysteresis projects voltage incubator arduino eggs circuit iot project code connection hackster details incu
Source: www.circuitdiagram.co incubator circuit egg thermostat homemade motor simple circuits control electronic dc protector over build protection heat diagram hysteresis projects voltage incubator circuit thermostat simple temperature egg control build homemade controller incubator arduino eggs circuit iot project code connection hackster details incu incubator circuit temperature hatching eggs control seekic diagram controller power incubator hatcher egg daigram
Source: www.circuitdiagram.co incubator hatcher egg daigram incubator circuit temperature hatching eggs control seekic diagram controller power incubator arduino eggs circuit iot project code connection hackster details incu incubator circuit egg thermostat homemade motor simple circuits control electronic dc protector over build protection heat diagram hysteresis projects voltage incubator circuit thermostat simple temperature egg control build homemade controller
Schematic Circuit Diagram For Egg Incubator
incubator arduino eggs circuit iot project code connection hackster details incu incubator circuit egg thermostat homemade motor simple circuits control electronic dc protector over build protection heat diagram hysteresis projects voltage
Schematic representation of the temperaturecontrolled egg incubator
incubator circuit thermostat simple temperature egg control build homemade controller incubator hatcher egg daigram
Wiring Diagram For Incubator Wiring Diagram and Schematics
incubator circuit temperature hatching eggs control seekic diagram controller power