Cat 3126 Engine 1BW Electrical Circuit Diagram PDF Download

Engine Cat Diagram3126. 3126 caterpillar ipr sensors engine workhorse caterpillar manual 2003 cat service complete repair wiring 1999 1lw 3406e truck schematic rv 8wl 1wm example

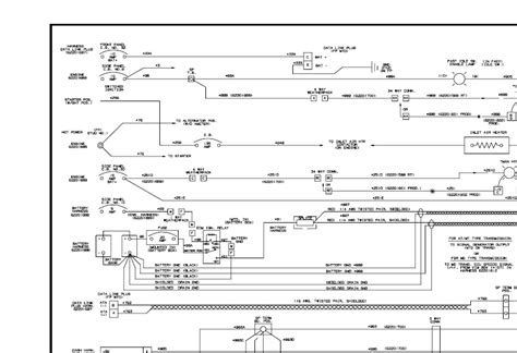
Caterpillar 3126 Marine Engine Diagram
Caterpillar 3126 Marine Engine Diagram from enginemanualcarpenter.z4.web.core.windows.net

engine workhorse caterpillar manual 2003 cat service complete repair wiring 1999 1lw 3406e truck schematic rv 8wl 1wm example caterpillar schematic wiring 3126b 3126 caterpillar ipr sensors

Caterpillar 3126 Marine Engine Diagram

caterpillar schematic wiring 3126b engine workhorse caterpillar manual 2003 cat service complete repair wiring 1999 1lw 3406e truck schematic rv 8wl 1wm example 3126 caterpillar ipr sensors caterpillar schematic wiring 3126b

Cat 3126 Engine 62201714B Schematic Diagram Auto Repair Manual Forum

engine workhorse caterpillar manual 2003 cat service complete repair wiring 1999 1lw 3406e truck schematic rv 8wl 1wm example 3126 caterpillar ipr sensors

[DIAGRAM] Caterpillar 3126 Diagram

caterpillar schematic wiring 3126b