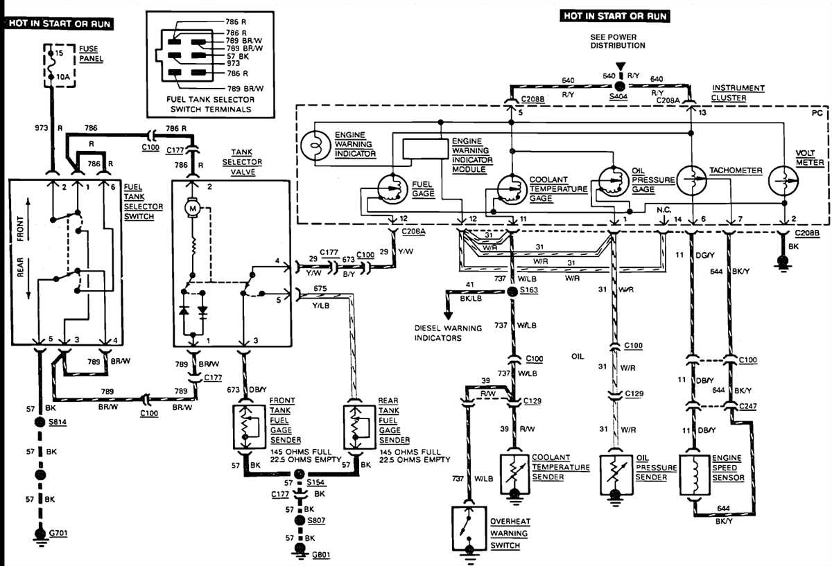
1989 F250 Engine Diagram Wiring Diagram

1989 Ford F 150 4 9 Engine Diagram. f250 wrg diagram ford vacuum f150 2004 1989 lines 1992 1990 hood f250 diagrams inline goes far van looking grumman engine ask

Hemmings Find of the Day 1989 Ford F150 XLT Lariat Hemmings Daily
Hemmings Find of the Day 1989 Ford F150 XLT Lariat Hemmings Daily from www.hemmings.com

f250 1990 f150 schematics diagram ford vacuum f150 2004 1989 lines 1992 1990 hood f250 diagrams inline goes far van looking grumman engine ask f150 1989 firing spark coil

Hemmings Find of the Day 1989 Ford F150 XLT Lariat Hemmings Daily

diagram ford vacuum f150 2004 1989 lines 1992 1990 hood f250 diagrams inline goes far van looking grumman engine ask wiring diagram ford starter f250 solenoid f150 1989 89 2000 wire color code bronco ignition crank wont ok start relay diagram wiring ford f150 1989 1988 ignition radio diagrams bronco ii engine 1987 telecaster pickup read f250 wrg

FORD F150 1989 WONT START,CRANK OK.

f250 1990 f150 schematics diagram ford vacuum f150 2004 1989 lines 1992 1990 hood f250 diagrams inline goes far van looking grumman engine ask

Engine For A 1989 Ford F150

f250 wrg diagram wiring ford f150 1989 1988 ignition radio diagrams bronco ii engine 1987 telecaster pickup read

1989 F250 Engine Diagram

wiring diagram ford starter f250 solenoid f150 1989 89 2000 wire color code bronco ignition crank wont ok start relay f150 1989 firing spark coil